Spindle - Ford (F7OZ-4A013-AA)

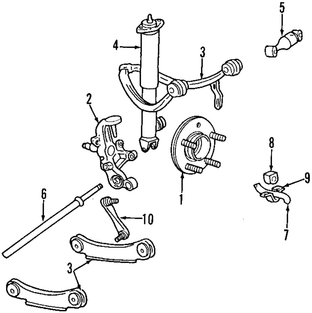
Part can be found as reference #2 in illustration

Spindle - Ford (F7OZ-4A013-AA)

Discontinued Product

No Longer Available For Purchase

Manufacturer Warranty Minimum of 12 Months
Guaranteed Fitment Always the correct parts
Shop with Confidence Your information is safe
In-House Experts We know our products

Details

  • Brand:

    Ford, Lincoln, Mercury Parts
    Lincoln Parts Mercury Parts

  • SKU:

    F7OZ-4A013-AA

  • Positions: Left
  • Other Names:

    Knuckle

  • Description:

    Continental. Left.

  • Replaces:

    XF3Z-4A013-AA

Vehicle Fitment

Vehicle Fitment
Year Make Model Body & Trim Engine & Transmission
( more fitments)
No fitment data available

Planet Ford

Shop authentic Ford parts here at Parts Planet Ford. Our entire catalog of Ford
parts and accessories are genuine straight form the original manufacturer. Use our VIN
lookup tool to ensure that you have the perfect fit for your vehicle. Orders can be
shipped directly to your door!